> 產品 > 拓普銳有機房貨梯井道圖軟件詳解
- 拓普銳有機房貨梯井道圖軟件詳解
拓普銳單井道有機房貨梯井道圖軟件詳解
《拓普銳單井道有機房貨梯井道圖軟件》軟件是本公司專為電梯企業開發的電梯井道設計出圖軟件系統。軟件是基于AutoCAD2008及以上版本開發,使用VC++、C#開發語言,采用可視化操作界面,工程師只需輸入企業自己的產品數據即可,軟件就能迅速生成按真實尺寸繪制的完整、規范圖紙。軟件內置了大量的計算功能,能夠對輸入的數據進行合合理化檢查,最大程度的減少因人為因素造成的設計錯誤,詳解如下:
拓普銳單井道有機房貨梯井道圖軟件詳解內容如下:
在電梯井道圖繪制的過程中,不同的廠家數據是不同的,我們現在就根據林肯電梯廠的井道圖軟件數據為例,詳細講解《拓普銳有機房單井道貨梯井道圖CAD》林肯項目的完成內容。
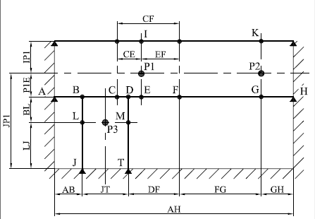
1. 《拓普銳單井道有機房貨梯井道圖CAD》軟件是基于AutoCAD開發完成,點擊桌面圖標,啟動林肯電梯井道設計系統軟件后,系統自動加載到AutoCAD中生成功能圖標,如下圖。
2. 在啟動的AUTOCAD中點擊命令圖標即可調出軟件功能界面,如點擊<有機房電梯>菜單,會彈出有機房客梯數據輸入對話框,如下圖。
3. 項目數據錄入,在上圖中,可以輸入項目名稱、合同號、產品型號、控制方式、梯號、臺數、圖號、設計、標準、審核、批準等項目信息,項目信息可以保存,以便重復使用,項目信息也可以對接ERP數據,便于企業管理。
4. 外呼按鈕的選擇,可以用鼠標點擊選擇,在上圖中,可以選擇外呼按鈕是在左邊或右邊。
5. 基本參數輸入、曳引機廠家選擇、門機廠家型號選擇、井道尺寸突出物及修井選擇、導軌型號選擇、輪子型號及數量輸入、轎廂等數據的輸入。
在選擇或輸入不同數據時,系統會自動做出判斷,所輸入的數據是否合理,并給出相應的提示,如轎廂凈寬值填寫成2600時,系統會自動報錯,用紅色文字提示錯誤的內容。
6. 非標情況的選擇,如突出物設置,在這里可以來確定角柱位置、凸梁位置、過渡平臺及牛腿等參數設置。
7. 在電梯井道圖繪制過程中,各個廠家的數據是不同的,有時候是需要修井的,修井參數設置如下圖,我們可以修井的位置、修井方式及尺寸、支架加固情況的選擇。
8. 在林肯電梯生成土建圖的過程中,是需要生成立面圖紙的,在軟件界面中點擊立面設計,系統會彈出立面數據輸入對話框,在這里可以輸入井道壁的結構、起始層號、樓層層數、底坑深度、頂層高度等所需要的參數,這些參數可以根據廠家的不同需要進行更改,不需要生產立面詳圖的廠家,可以根據需要生產簡圖。
9. 計算包角,軟件系統根據曳引輪直徑、導向輪直徑、安裝孔距離、曳引輪于導向輪的垂直距離來計算曳引輪鋼絲繩包角數值。
10.機房設計,在軟件界面中點擊機房設計,會彈出機房數據選擇界面,可以根據需要選擇小機房或大機房、限速器、機房門、控制柜等內容。 機房設計在界面中也是動態展示的,在修改不同的參數時,圖紙展示區會自動變化,展示控制柜、機房門的位置。
11. 根據已知數據曳引機自重、電梯載重、轎廂重量、對重重量、其他重量、載重系數、平衡系數來計算出承重梁受力計算數值,同時分別計算出C點和F點的彎矩,計算F點處的應力,承重梁剛度(變形)計算值。
12.其它參數輸入界面,為了安全設計生產,不同的廠家在設計電梯時,都有很多最小值設置、關鍵參數尺寸設置等,在其它參數界面中即可完成這些參數的設定,設定后系統會自動提取并計算,用來比對相關參數的輸入合理性,不同廠家參數不同,如下圖。
13.規格參數表,規格參數表主要用來確定各個部件參數及數量的,不同廠家參數不同,所輸入的數據也不同,有的廠家也不需要此功能。規格參數表可以直接導出EXCEL文件,用戶可以直接打印輸出,如下圖。
14.圖紙生成,在數據輸入完成后可直接點擊確定繪圖按鈕,圖紙會在AUTOCAD中自動完成繪圖工作,
如下圖:
15.軟件優勢:
促進銷售:在電梯銷售過程中,很多是需要銷售人員現場繪制電梯土建方案圖CAD圖紙,拓普銳電梯井道圖CAD繪圖軟件解決了此問題,銷售人員只需要輸入井道尺寸、轎廂尺寸等幾個參數即可完成圖紙是輸出;軟件是根據企業的產品數據定制完成,數據可以重復利用,點擊繪圖后,只需要20秒左右即可完成圖紙的繪制;
0錯誤:軟件是為企業定制完成,數據是企業的專屬數據,輸出的圖紙、尺寸標注、圖框標題欄內容、圖紙排布等都是自動完成,避免了人工計算、繪制、排布尺寸容易出錯的問題。
規范化:通過軟件的應用,把過去企業積累的技術進行了規范華的定制,相當于把企業的常規梯形、量大的梯形進行了企業標準的固化,讓技術人員、市場人員、管理人員更容易的學習、理解、接受企業的的技術知識。軟件不但公司技術人員繪圖設計使用,更適合公司里的銷售人員、管理人員使用,以便提高工作效率。系統使用后大大提高出圖效率,過去需要人工加班加點24小時完成的工作,現在只需要幾十秒即可完成。電梯井道圖是企業的基礎數據,是智能制造的數據源頭,通過拓普銳電梯井道圖CAD軟件的實施,完成了企業產品數據的規范化,為智能制造、數據互聯提供了最基礎的數據整理。
智能化:隨著企業的發展,智能化、自動化是未來的趨勢,電梯企業更是走到了技術革新的最前沿,軟件大大降低了對人的依賴,降低了管理成本,特別是新員工很容易快速完成工作。
易操作:拓普銳電梯井道圖CAD軟件是釋放人力的系統,將井道數據、轎廂數據、導軌數據、門機數據等采用人性化的交互界面,使用者只需要在界面中修改各種參數即可,之后一鍵即可完成出圖。拓普銳電梯井道圖CAD軟件根據客戶的不同需要,可以提供英文版、中文版的雙語定制,并可以根據實際的需要進行日文、俄語的轉換定制工作,促進企業完成國際市場的開拓。拓普銳電梯井道圖采用量身定制的方式完成。每家都是獨立的系統,都是專屬的軟件,我們通過全程1對1的服務,為客戶完成軟件的定制。
安全保密:軟件運行后,是企業獨有的固有資產,運行在企業的電腦上,只需專人管理授權即可。軟件采用VC++、C#開發,更容易將數據向外輸出,與ERP、PLM、PDM、AI、AO、物聯網等系統無縫對接。
16.其它模塊:
《拓普銳電梯設計系統軟件》除了拓普銳單井道有機房貨梯井道圖軟件,還包括很多其它梯種的軟件,用戶可以根據廠家實際的需要選擇定制。其它梯種的軟件內容包括:拓普銳單井道無機房客梯、拓普銳有機房客梯、拓普銳無機房貨梯、拓普銳別墅梯井道圖軟件、拓普銳雜物梯井道圖軟件、拓普銳電梯生產圖軟件、拓普銳裝箱單系統、拓普銳生產清單系統、拓普銳采購清單系統、拓普銳電氣清單系統、拓普銳成本清單系統、拓普銳電梯報價系統、拓普銳電梯網上訂單系統、拓普銳電梯裝潢系統、拓普銳井道圖網頁版系統、拓普銳雙井道有機房客梯,拓普銳多井道有機房客梯、每個模塊既可以獨立運行,也可以互聯運行完成數據輸出。
15.總述:
《拓普銳電梯快速設計系統》軟件是本公司專為電梯企業開發的電梯井道設計、生產設計、表格輸出為一體的軟件系統。軟件采用可視化操作界面,工程師只需參依據電梯客戶的基本要求輸入相應數據,軟件就能迅速生成按真實尺寸繪制的完整、規范圖紙。軟件內置了大量的計算功能,能夠對輸入的數據進行合法化檢查,最大程度的減少因人為因素造成的設計錯誤。
《電梯井道CAD系統》軟件的數據結構完全開放,易于維護,具有良好的可擴展性,便于企業應對不斷變化的客戶需求。軟件采用了本公司獨創的“參數化圖形裝配”技術,通過對圖形的參數化,使得軟件能用一個智能圖形生成各種尺寸數值的圖形;通過對多個圖形的裝配,使得軟件能以易于擴展的參數化圖形庫應對復雜變化的電梯工程。通過對軟件的參數化圖形庫和裝配關系進行擴展,就能實現對軟件功能的擴展。
對企業而言,《電梯井道CAD系統》軟件將企業的電梯技術,設計規范集成到軟件之中,這既減少了員工培訓的成本,又降低了員工離職帶來的風險。對工程師而言,有了《電梯井道CAD系統》軟件,電梯設計工作不再是重復、枯燥的繪圖,工作變得輕松,簡單。
本軟件能夠讀入“銷售數據”和輸出“物料表”,可以和企業的ERP系統無縫集成。
經過多年的開發與完善,該軟件功能已非常專業、全面,已成功應用到多家電梯公司,得到用戶的好評,并有多家電梯企業正在接洽中。客戶普遍認為,這套軟件智能高效,功能不亞于國外同類軟件,在企業推廣后,顯著降低了電梯井道設計工作的難度,大大提高了設計效率,從而使企業得以集中人力從事新品的研發和應對電梯客戶的特殊需求,提高了企業的競爭力,提升了企業的經濟效益。
《電梯井道CAD系統》軟件一定會您企業的電梯設計和信息化建設工作帶來巨大幫助,通過近10年的發展,已經解決了各種非標情況的設計。

全國服務熱線:13717915783、13717912320